産品概述(shu)
消防對夾蝶閥(fa)是引進國外先(xiān)進技術而自行(hang)開發🚶的中線型(xing)🌐蝶閥,它具有結(jié)構簡單,密封可(kě)靠,開啓輕便、壽(shòu)💰命長⁉️、維護方便(bian)等優點。故被廣(guang)泛地應用于給(gěi)排水、建築消防(fáng)等系統各種管(guǎn)🌈道上,尤其在消(xiāo)防管路中。本信(xin)🔞号閥可明白無(wu)誤的顯示出閥(fá)門開關狀态,具(ju)有直觀、清晰、可(ke)靠的反映出消(xiao)防⛷️系統中的工(gōng)作狀态,所以廣(guang)🔴泛、大量的适用(yòng)于消防系統中(zhōng)✍️。
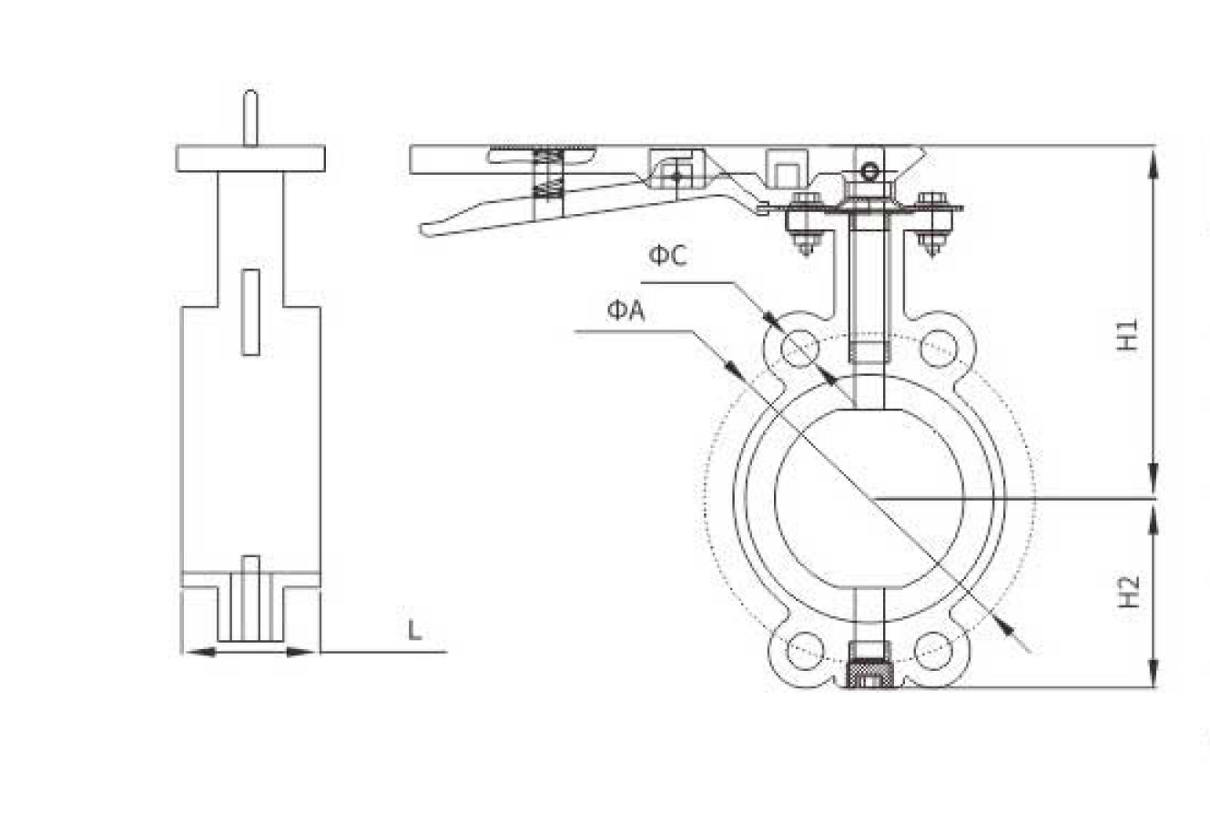
主要(yào)外形連接尺寸(cùn)
|
型号Model |
DN |
ΦA-ΦC |
L |
H1 |
H2 |
|
ZSDF 7-Q-50-D71X |
50 |
110-16 125-16 |
42 |
163 |
|
|
ZSDF 7-Q-65-D71X |
65 |
145-18 |
44 |
168 |
|
|
ZSDF 7-Q-80-D71X |
160-18 |
177 |
90 |
||
|
ZSDF 7-Q-100-D71X |
100 |
180-20 |
52 |
192 |
105 |
|
ZSDF 7-Q-125-D71X |
125 |
210-24 |
51 |
205 |
115 |
|
ZSDF 7-Q-150-D71X |
150 |
55 |
131 |
Copyright © 2022-2023 南京博高(gao)閥門有限公司(sī) 版權所有 京ICP證(zheng)000000号
蘇公網安備(bèi) 32010202011315号
蘇公網安備(bèi) 32010202011315号
網站建設: 豐(fēng)盛科技